Kaçak Akım Koruma Röleleri: Elektriksel Güvenliğinizi Sağlayan Önemli Bir Cihaz
Kaçak akım koruma röleleri, elektrik devrelerinde oluşabilecek kaçak akımları tespit ederek güvenliği sağlayan ve cihazların ve kullanıcıların korunmasını sağlayan önemli bir elektrik bileşenidir. Bu yazıda, kaçak akım koruma rölelerinin ne olduğunu, neden kullanıldığını, nasıl çalıştığını, avantajlarını, seçim kriterlerini, fiyatlarını ve neden atar olduklarını ele alacağız.
Kaçak Akım Koruma Rölesi Nedir?
Kaçak akım koruma rölesi (KAKR), bir elektrik devresinde oluşabilecek kaçak akımları tespit eden ve devreyi otomatik olarak kesen bir cihazdır. Bu kaçak akımlar, insanların elektrik çarpması riskini artıran tehlikeli durumlardır. Kaçak akım koruma röleleri, bu tür riskleri minimize etmek için kullanılır ve elektriksel güvenliği sağlarlar.
Kaçak Akım Koruma Rölesi Neden Kullanılır?
Kaçak akım koruma röleleri şu amaçlarla kullanılır:
-
İnsan Güvenliği: Kaçak akım koruma röleleri, elektrik çarpması riskini azaltarak insan güvenliğini sağlar.
-
Cihazların Korunması: Kaçak akım koruma röleleri, elektriksel arızalar nedeniyle cihazların zarar görmesini önler.
-
Yangın Önleme: Kaçak akım koruma röleleri, elektriksel arızaların yangınlara neden olma riskini azaltır.
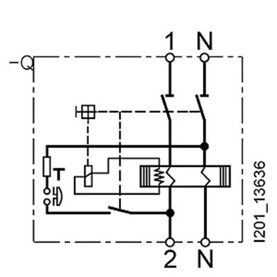
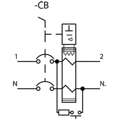
Kaçak Akım Koruma Rölesi Nasıl Çalışır?
Kaçak akım koruma röleleri, bir devredeki giriş ve çıkış akımlarını karşılaştırarak çalışır. Eğer giriş ve çıkış akımları arasında bir fark varsa, bu durumda bir kaçak akım olduğunu gösterir ve devreyi otomatik olarak keser. Bu, insanların veya cihazların zarar görmesini önler ve güvenliği sağlar.
Kaçak Akım Koruma Rölesi Avantajları
Kaçak akım koruma rölelerinin bazı avantajları şunlardır:
-
İnsan Güvenliği: Elektrik çarpması riskini azaltarak insan güvenliğini sağlarlar.
-
Cihazların Korunması: Elektriksel arızalar nedeniyle cihazların zarar görmesini önlerler.
-
Yangın Önleme: Yangın riskini azaltarak iş yerlerinde ve evlerde yangın güvenliğini artırırlar.
Neden Kaçak Akım Koruma Rölesi Kullanmalıyım?
Kaçak akım koruma rölesi kullanmanın önemli nedenleri şunlardır:
- İnsan güvenliğini sağlayarak elektrik çarpması riskini azaltır.
- Elektriksel arızalar nedeniyle cihazların zarar görmesini önler.
- Yangın riskini azaltarak iş yerlerinde ve evlerde yangın güvenliğini artırır.
Kaçak Akım Koruma Rölesi Nasıl Seçilir?
Kaçak akım koruma rölesini seçerken dikkate almanız gereken bazı faktörler şunlardır:
-
Nominel Akım: Koruyacağı devredeki akım değerlerine uygun bir nominel akım seçin.
-
Atma Akımı: Kaçak akım koruma rölesinin atma akımı, cihazın hassasiyetini belirler.
-
Çalışma Gerilimi: Kaçak akım koruma rölesinin kullanılacağı ortamdaki çalışma gerilimini göz önünde bulundurun.
-
Montaj Tipi: Montaj tipine göre, uygun bir kaçak akım koruma rölesi seçin (modüler, panel tipi vb.).
Kaçak Akım Koruma Rölesi Fiyatları
Kaçak akım koruma rölelerinin fiyatları marka, akım kapasitesi, hassasiyet ve kaliteye bağlı olarak değişiklik gösterebilir. Daha yüksek özelliklere sahip olanlar genellikle daha yüksek fiyatlı olabilir.
Kaçak Akım Koruma Rölesi Neden Atar?
Kaçak akım koruma röleleri, devrede oluşan kaçak akımı tespit ettiğinde otomatik olarak devreyi keser. Bu, insanların ve cihazların zarar görmesini önlemek ve güvenliği sağlamak için gereklidir.
Kaçak Akım Koruma Rölesi Tipleri ve Özellikleri
-
Diferansiyel Akım Koruma Rölesi (RCD):
- Özellikler: RCD'ler, devredeki giriş ve çıkış akımlarını karşılaştırarak kaçak akımı tespit eder. Genellikle insan güvenliği için kullanılır ve hassas bir şekilde çalışır.
- Uygulama Alanları: Evlerde, iş yerlerinde ve endüstriyel tesislerde yaygın olarak kullanılır.
-
Anma Akımı Tipi Kaçak Akım Koruma Rölesi:
- Özellikler: Bu tip röleler, belirli bir akım değerinin üzerindeki kaçak akımları tespit eder ve devreyi keser. Genellikle sabit bir atma akımına sahiptirler.
- Uygulama Alanları: Endüstriyel tesislerde, makine ve ekipmanlarda kullanılır.
-
Zaman Gecikmeli Kaçak Akım Koruma Rölesi:
- Özellikler: Zaman gecikmesi sağlayarak geçici kaçak akımlarına karşı daha esnek bir koruma sağlar. Belirli bir süre boyunca devredeki kaçak akımı izler ve eğer sorun devam ederse devreyi keser.
- Uygulama Alanları: Hassas cihazlar ve ekipmanlar için kullanılır, geçici kaçak akımların daha az olumsuz etkisi olduğu durumlarda tercih edilir.
-
Toprak Hata Akımı Koruma Rölesi (GFCI):
- Özellikler: Toprak hatalarından kaynaklanan akımları tespit eder ve devreyi keser. Genellikle suya yakın yerlerde (örneğin, banyo, mutfak) ve dış mekanlarda kullanılır.
- Uygulama Alanları: Evlerde, iş yerlerinde, dış mekanlarda ve nemli ortamlarda yaygın olarak kullanılır.
-
Düşük Akım Diferansiyel Akım Koruma Rölesi (LCR):
- Özellikler: Çok düşük akım değerlerini tespit edebilir ve devreyi keser. Özellikle hassas elektronik ekipmanların korunması için idealdir.
- Uygulama Alanları: Laboratuvarlar, hastaneler, bilgi işlem merkezleri gibi hassas ekipmanların bulunduğu yerlerde kullanılır.
-
Toprak İletkeni Kaçak Akım Koruma Rölesi:
- Özellikler: Toprak iletkeni üzerinde oluşabilecek kaçak akımları tespit eder ve devreyi keser. Toprak iletkeni olmadığı durumlarda tercih edilir.
- Uygulama Alanları: Eski binalarda, metal borularla yerine getirilen topraklama sistemlerinin olmadığı yerlerde kullanılır.