Benzer Ürünler
Kompakt Kontrolör 100; 8DI 4DO 2AI 2AO 2NI1K/PT1K 1RS485; 2 x ETHERNET; SD
Kompakt Kontrolör 100; 8DI 4DO 2AI 2AO 2NI1K/PT1K 1RS485; 2 x ETHERNET; SD
Kompakt Kontrolör 100; 8DI 4DO 2AI 2AO 2NI1K/PT1K 1RS485; 2 x ETHERNET; SD
Kompakt Kontrolör 100; 8DI 4DO 2AI 2AO 2NI1K/PT1K 1RS485; 2 x ETHERNET; SD

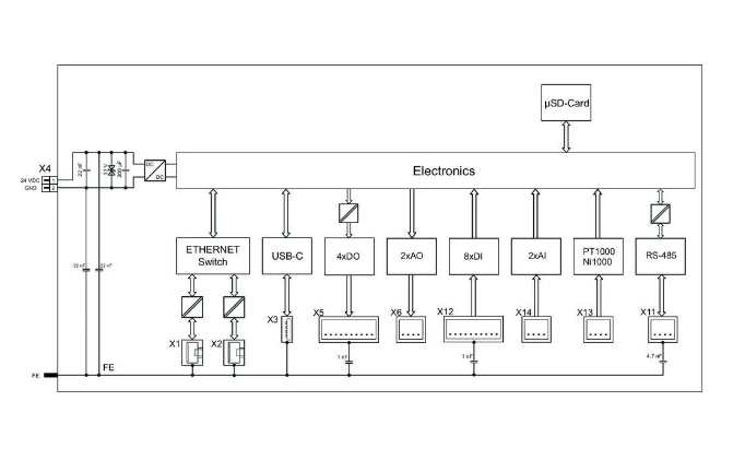
Wago 751-9301 Kompakt Kontrolör CC100 (751-9301)

Marka : WAGO
İndirim Oranı : %73 İndirim
Fiyat : €1.982,99  + KDV
İndirimli : €535,41  + KDV
TL Fiyat : ₺26.057,10(₺5.211,42 + KDV)
₺31.268,51 `den başlayan taksitlerle

Technical Data

İletişim Modbus (TCP, UDP)
EtherCAT® Master
EtherNet/IPTM Adapter (slave)
EtherNet/IPTM Scanner
Modbus® RTU
RS-485 Seri Arabirim
OPC UA Server/Client
MQTT
Telekontrol protokolleri (cihazda ek bir lisans gerektirir)
BACnet/IP, requires an additional license
Protokoller DHCP
DNS
NTP
FTP
FTPS
SNMP
HTTP
HTTPS
SSH
Visualization Web Visu
Web-Visu
İşletim sistemi Gerçek zamanlı Linux (RT-Preempt yamalı)
CPU Cortex A7; 650 MHz
Programming languages per IEC 61131-3 Talimat Listesi (IL)
Merdiven Diyagramı (LD)
Fonksiyon Blok Şeması (FBD), Sürekli Fonksiyon Şeması (CFC)
Continuous Function Chart (CFC)
Formatlı Metin (ST)
Sıralı Fonksiyon Şeması (SFC)
Programlama CODESYS V3.5
Node RED
Configuration options Ethernet Settings
CODESYS V3.5
ETHERNET Settings
Web Tabanlı Yönetim
WAGOupload
WAGO Solution Builder
Baud rate (communication/fieldbus 1) 10/100 Mbit/s
Baud rate ETHERNET: 10/100 Mbit/s
Transmission medium (communication/fieldbus) ETHERNET: Bükülmüş Çift S-UTP; 100 Ω; Cat. 5; 100 m maksimum kablo uzunluğu
Ana bellek (RAM) 512MB
Dahili bellek (flaş) 4096MB
Hardware non-volatile memory 128kbyte
Program memory 32 MB
Data memory 128 MB
Software non-volatile memory 128,kbyte
Hafıza kartı tipi 32 GB'a kadar microSD (tüm garantili özellikler yalnızca WAGO bellek kartıyla geçerlidir)
Memory card slot İtme-itme mekanizması
Indicators LED (SYS, RUN), red/green: Status of system; LED (USR) red/green: User programmable status (can be used via CODESYS library); LED (SD) orange: Status of microSD; LED (LNK/ACT) green: Network connection via ports 1 … 2; LED (DI1 … 8) green: Status of inputs; LED (DO1 … 4) green: Status of outputs
Panel Operating mode switch (RUN, STOP, RESET); reset button
System supply voltage 24 VDC (-15 … +20 %); via pluggable connector (picoMAX® 3.5; Push-in CAGE CLAMP® connection)
Current consumption (system) max. 500mA
Field supply voltage 24 VDC (-15 … +20 %); via pluggable connector (picoMAX® 3.5; Push-in CAGE CLAMP® connection)
Current consumption (field) max. (digital outputs, Uin+) 2.000mA
İzolasyon 1250 V (DC 1 min., between system and field level (digital outputs))
Number of digital inputs 8
Input characteristic Type 3 (per EN 61131-2)
Number of digital outputs 4
Çıkış akımı (kanal başına) 500 mA (DC)
Çıkış akımı kısa devre korumalı
Sinyal tipi Gerilim
Direnç ölçümü
Voltage
Resistance measurement
Type of signal voltage 0 … 10 VDC
Number of analog inputs 2
Auflösung der Analogeingänge 16Bit
Number of analog outputs 2
Auflösung der Analogausgänge 12Bit
Load impedance (output/voltage) ≥ 5 kΩ
Number of measurement inputs 2
Sıcaklık aralığı −60 … 350 °C, Pt1000, Ni1000

 

 

cultureSettings.RegionId: 0 cultureSettings.LanguageCode: TR
Çerez Kullanımı

Sizlere en iyi alışveriş deneyimini sunabilmek adına sitemizde çerezler(cookies) kullanmaktayız. Detaylı bilgi için Kvkk sözleşmesini inceleyebilirsiniz.